Haringsnijwerkbank
Uitvoering
- Materiaal: RVS
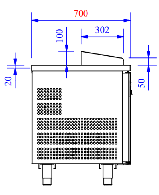
- Afmetingen: 1514 x 655 x 850 (LxDxH)
- Voorzien van 2 RVS deuren voorzien van magnetische sluiting en ingebouwde handgrepen
- Incl. Digitale controller
- Incl. automatische ontdooiing
- Standaard voorzien van 1 schap achter elke deur
- In hoogte verstelbare voeten
- 230 volt
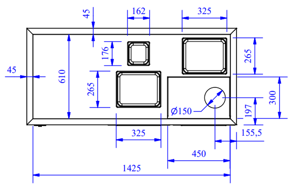
- Voorzien van 2 x 1/2 bak en 1 x 1/6 bak (gastronoom maat)




